欢迎您来51免费看片 OLKS官网! 9.1成人免费看片机百科 | WWW.免费看片机百科 | 锁螺丝机百科 | 黄色网站免费看片百科 | 9.1成人免费看片阀百科 | 设备视频

prevnext

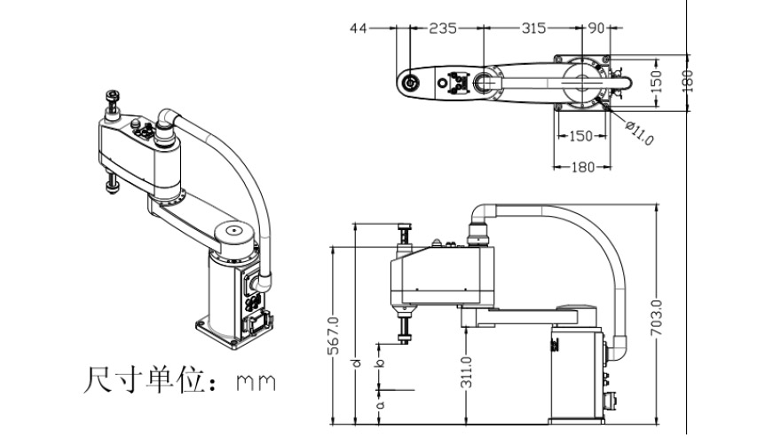
四轴机器人裸机

  • 产品名称:四轴裸机
    所属风类:机器人设备
    品牌名称:51免费看片
    运动控制器:51免费看片自主研发的一种通用型独立式运动控制器,可控制1-6轴伺服电机或者步进电机
    厂家介绍:深圳市51免费看片科技有限公司成立于2011年,是一家拥有自主品牌的精密9.1成人免费看片设备专业智造商,为深圳市技术创新企业和国家高新技术企业。专注于自动9.1成人免费看片机、喷射式9.1成人免费看片机、在线式9.1成人免费看片机、WWW.免费看片机、黄色网站免费看片、喷射阀等流体控制设备及智能制造自动化的研发、生产、销售及为客户提供解决9.1成人免费看片技术方案等配套服务。
  • 咨询热线:136-3265-2391
  • 产品详情

  • 联系51免费看片

外形尺寸

产品参数

运动控制器

QQ截图20171028084546.png

主要说明

51免费看片工业机器人研发的运动控制器XT_CTRL CARD V04,是一款基于高性能ARM微处理器上,51免费看片自主研发的一种通用型独立式运动控制器,可控制1-6轴伺服电机或者步进电机,可以与多种类型电机和旧元件组成完整的控制系统。16路通用数字驱动输出能力为24V/500MA,可接继电器,电磁阀之类。运动控制器最高脉冲频率2Mhz,具有点运动,空间直线与圆弧插补,梯形和S形曲线加减速控制等功能。

运动控制器具了讲N简的指令集,用户直接在手编器上编写控制器程序,修改控制器参数;本控制器还配有手编器示教功能,通过简单的编程设定即可做出连续轨迹运动。

特性

32位ARM的Cortex一M3处理器

32路通III数字光祸输入八6路通用数字驱动输出

12路差分输出

2路RS232通信

6轴任意空间直线与圆弧插补

丰富的指令集,可执行G代码

程序存储空64Mbit

应用范围

工业机器人

电子产品自动化加工,装配,测试

半导体,LCD自动加工,检测,9.1成人免费看片机,WWW.免费看片

机器视觉及测量自动化

专用数控机机床

选择51免费看片的3大理由


通用详情1

深圳市51免费看片科技有限公司成立于2011年,是一家拥有自主品牌的精密9.1成人免费看片设备专业智造商,为深圳市技术创新企业国家高新技术企业。公司施行集团化管理,除位于深圳市宝安区的总部之外,还拥有苏州生产基地、华东分公司、西南分公司、成都办事处等子公司和分支机构。

51免费看片通过了ISO9001:2015质量体系认证,拥有自主知识产权专利29项,专注于自动9.1成人免费看片机、喷射式9.1成人免费看片机、在线式9.1成人免费看片机、自动WWW.免费看片机、自动黄色网站免费看片、喷射阀等流体控制设备及智能制造自动化的研发、生产、销售及为客户提供解决9.1成人免费看片技术方案等配套服务。

OLKS自动化设备主要应用于高端制造业中的IC芯片封装、9.1成人免费看片密封、粘接、表面涂覆、定点灌封、高精密非接触喷射底部填充9.1成人免费看片等组装作业,行业遍及手机组装、3C数码、SMT/EMS、家电、LED照明、新能源、汽车电子、军工、半导体、医疗器械等。公司始终牢记“利他思维”秉持“匠心精神”,强大技术专家团队和精英化销售团队为客户提供“星级服务”创造更大价值,助力中国制造2025!

通用详情2



通用详情3


       作为一家科技创新驱动型企业,51免费看片历来重视新技术的创新与研发,目前已完成了在多个核心关键技术方面知识产权的布局。


通用详情4



通用详情5

通用详情6




欢迎进入51免费看片
Welcome 


olks.jpg

深圳市51免费看片科技有限公司

深圳市51免费看片科技有限公司,成立于2011年,是获得ISO质量认证的国家级高新技术企业。51免费看片通过了ISO9001:2015质量体系认证,拥有自主知识产权专利29项,专注于自动9.1成人免费看片机、喷射式9.1成人免费看片机、在线式9.1成人免费看片机、自动WWW.免费看片机、自动黄色网站免费看片、喷射阀等流体控制设备及智能制造自动化的研发、生产、销售及为客户提供解决9.1成人免费看片技术方案等配套服务。

全国服务热线:136-3265-2391



51免费看片总部
OLKS Headquarters


电话:13632652391

传真:0755-27564660邮箱:yaoli@kelinerjh.com

公司地址:广东省深圳市宝安区福永街道白石厦东区文明路39号 



江苏分公司
Jiangshu Branch

地址:江苏省苏州市昆山市玉山镇开贵路11号协和5G科技产业园

重庆分公司

Chongqing Branch

地址:重庆市沙坪坝区科学城大道中电光谷产业园14栋

华东分公司
Chengdu Branch

   地址:杭州市余杭区良渚街道



关键词:四轴机器人,搬运机器人,小型上下料机械臂,自动WWW.免费看片机器人
跟此产品相关的产品

咨询:四轴机器人裸机
* 为必填项

  • *
  • 点击刷新

版权所有 深圳市51免费看片科技有限公司|  备案号:粤ICP备55161005号 保留所有权利.

返回顶部

网站地图